设计特点
工作原理:细水流被高速流动的气流剪切形成初步雾化,初步雾化的水滴混合高速气流,撞击在震动头上,进一步雾化为极细颗粒的水雾
雾化的水滴平均颗粒度很小,而且最大颗粒度与最小颗粒度相差不大,粒度均匀
震动头与高速气流撞击产生的振动,可以防止灰尘或其他外物粘附在喷孔里,保证喷嘴正常工作
产品可靠而且极少需要维修

一般应用
加湿、喷涂、干雾降尘、润滑(对粒径要求比较细的工况,或者均匀加湿)
性能数据

普通底座可以通过焊接或其他方式固定在需要使用的地方,普通底座进水接口螺纹为G1/8,近气接口螺纹为G1/4

二、薄壁安装底座
薄壁安装底座适合安装在薄壁上,底座外螺纹端装入薄壁开口,通过锁紧帽锁紧固定在薄壁上。

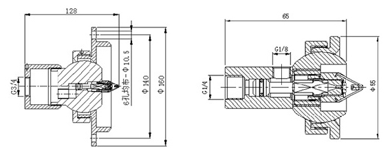
三、万向球安装底座
1、法兰安装式 万向球安装底座通过法兰安装在应用场合,喷嘴通过万向球可以在一定范围内(50°)调节喷嘴方向。底座内可以安装加热棒,防止寒冷环境下水源结冰。
2、焊接安装式 万向球安装底座通过焊接安装在应用场合,喷嘴通过万向球可以在一定范围内(50°)调节喷嘴方向。内部无加热装置,外形小巧。

